Massimo Clarke: "I ciclomotori italiani a quattro tempi" / Prima parte

Massimo Clarke: "I ciclomotori italiani a quattro tempi" / Prima parte
I cinquantini costruiti dalle nostre industrie sono stati a lungo grandi protagonisti della scena motociclistica. Le realizzazioni di notevole livello tecnico sono state numerose, e non erano tutte a due tempi | M. Clarke
2 gennaio 2014


Nel dopoguerra l’esigenza di assicurare mezzi di trasporto semplici ed economici ha portato rapidamente a una grande diffusione delle moto di piccola cilindrata. Per chi non poteva ancora permettersele c’erano i motori ausiliari, di norma a due tempi, da applicare alla bicicletta. Il loro successo è stato straordinario e alcuni dei loro nomi, come Mosquito (costruito dalla Garelli) e Aquilotto (prodotto dalla Bianchi), sono entrati nella leggenda. Diversi costruttori non sono usciti dall’ambito dei piccoli motori sciolti ma ci sono state case destinate a diventare importanti nel panorama motociclistico nazionale, come l’Alpino, che hanno iniziato con realizzazioni di questo genere. Tra le moto, le classi che dominavano il mercato erano la 75, la 100 e la 125. Come logica evoluzione, le biciclette a motore hanno ceduto il posto ai ciclomotori, che dalle prime realizzazioni piuttosto spartane sono diventati mezzi di trasporto notevolmente simili alle vere moto come soluzioni costruttive. Sospensioni, freni e telai riprendevano infatti gli schemi impiegati sulle motoleggere. La buona accoglienza da parte del mercato si è trasformato in un autentico boom attorno alla metà degli anni Cinquanta. Nella maggior parte dei casi i ciclomotori erano azionati da motori a due tempi realizzati all’insegna della semplicità e della robustezza, ma diversi costruttori hanno imboccato con decisione la strada del quattro tempi, producendo modelli di notevole pregio sotto l’aspetto tecnico, alcuni dei quali hanno ottenuto un successo straordinario.

Costruire un motore a quattro tempi comporta costi nettamente più elevati. Ci sono gli organi della distribuzione e il sistema di lubrificazione, che mancano in un 2T, alimentato da una semplice miscela olio-benzina e con il pistone che controlla l’apertura e la chiusura delle luci praticate nella parete del cilindro. La testa di un 4T ha una struttura complessa, con condotti, alloggiamenti per sedi, molle e guide e supporti dei bilancieri. Anche se in compenso il cilindro è più semplice, le lavorazioni sono notevolmente più numerose. Il costo di esercizio di un motore a quattro tempi è nettamente inferiore, rispetto a quello di un 2T, per via del consumo assai più basso e della manutenzione tutto sommato meno impegnativa. Niente scarico e pistone da disincrostare periodicamente, niente fumosità elevata emessa dalla marmitta (all’epoca la miscela difficilmente scendeva al di sotto del 4% e spesso era dell’ordine del 6%!) e niente problemi con la candela, da pulire o da sostituire con notevole frequenza. Anche all’estero venivano prodotti numerosi modelli di 50 cm3, ma erano invariabilmente a due tempi.

Quello dei motori a quattro tempi di questa cilindrata è stato per diversi anni un fatto tipicamente italiano
, e ciò fa particolare onore alla nostra industria del settore. La Honda ha iniziato a produrre ciclomotori a quattro tempi solo nel 1958 e i suoi primi modelli non si può certo dire che fossero migliori dei nostri. Anche tecnicamente erano molto semplici, con una distribuzione ad aste e bilancieri; quella monoalbero, con comando a catena, è arrivata solo nel 1965. Di questi ciclomotori, non solo in Italia, ma anche in tutta Europa, se ne è saputo ben poco, fino alla seconda metà degli anni Sessanta.


La grande storia dei cinquantini italiani a quattro tempi è iniziata a Torino, ove vivevano e lavoravano i due progettisti del Cucciolo (Aldo Farinelli) e del Motom (Giuseppe Battista Falchetto). La Siata, che produceva componenti per autovetture ed effettuava lavorazioni meccaniche di precisione, ha iniziato la fabbricazione del suo motore ausiliario per biciclette, l’unico a quattro tempi, pochi mesi dopo la fine della seconda guerra mondiale.

Motom 48. Semplice e robusto, nasce con forcella a parallelogramma e senza sospensione posteriore
Motom 48. Semplice e robusto, nasce con forcella a parallelogramma e senza sospensione posteriore
Naviga su Moto.it senza pubblicità
1 euro al mese

Il successo è stato tale che già nel 1946 questa azienda ha iniziato una collaborazione con la Ducati, dotata di strutture produttive di ben maggiori dimensioni, che in breve tempo è rimasta l’unica a costruire il piccolo monocilindrico, chiamato Cucciolo, e a svilupparlo via via in versioni più moderne e performanti. La casa di Borgo Panigale ha fatto il suo ingresso nel mondo delle due ruote proprio con questo semplice 4T, che è stato venduto in decine e decine di migliaia di esemplari come motore sciolto e che in seguito è stato utilizzato, in varianti più evolute e di maggiore cilindrata, per le prime motoleggere prodotte con il marchio Ducati. Il Cucciolo inizialmente aveva il basamento in due parti, con il gruppo cilindro-testa incorporato di fusione in quella superiore. Ben presto è stata apportata una importante modifica; il basamento è diventato monolitico, con struttura chiusa sul lato sinistro da un grosso coperchio, mentre il gruppo testa-cilindro (unica fusione in lega leggera, con testa che quindi non era amovibile) veniva imbullonato sopra il basamento stesso. La canna era in ghisa e veniva incorporata all’atto della fusione. Tra le caratteristiche tecniche di maggiore interesse vanno ricordate le aste della distribuzione (mosse da un’unica camma, nelle versioni iniziali) che lavoravano a trazione, ovvero al contrario di quanto avviene usualmente, cioè a compressione. I bilancieri e le molle delle valvole lavoravano allo scoperto.


La Motom Italiana è stata fondata nel 1948 a Milano, ma il suo geniale ciclomotore, il 48 “Motomic” (denominazione presto abbandonata) era già entrato in produzione l’anno prima e il progetto era ancora precedente. Si trattava di un mezzo di una razionalità straordinaria, a cominciare dalla parte ciclistica, che prevedeva un semplicissimo telaio monotrave in lamiera stampata, con motore montato a sbalzo. La robustezza e la praticità di impiego erano eccezionali, come pure il consumo ridottissimo. Il motore, con distribuzione ad aste e bilancieri, era caratterizzato da un albero a gomito in due parti, unite con l’ausilio di un grosso dado, da una frizione a secco e da un basamento in unico pezzo, chiuso sul lato sinistro da un grosso coperchio. La lubrificazione era a carter umido, con pompa dell’olio a pistoncino e il cambio era del tipo a espansione di sfere. Testa e cilindro erano costituiti da un’unica fusione in lega di alluminio con canna in ghisa riportata.


Il successo ottenuto da questo ciclomotore è stato enorme. Nel corso della evoluzione, che però non ha mai portato a modifiche sostanziali dello schema originale, a conferma della sua straordinaria validità, sono state realizzate numerose versioni differenti, le ultime delle quali sono rimaste in produzione fino alla fine degli anni Sessanta. I primi modelli erano dotati anteriormente di una forcella a parallelogramma e posteriormente non avevano alcuna sospensione. Poco dopo il 1955 è stato adottato per tutti i modelli un sistema a ruota posteriore guidata e successivamente all’avantreno è stata montata una forcella telescopica. Pure il motore ha subito le opportune attenzioni, focalizzate principalmente sul gruppo termico, che è stato dotato di una testa amovibile e di una alettatura leggermente maggiorata. La Motom è stata una grande realtà nel panorama motociclistico nazionale, con un modernissimo stabilimento a Baranzate, alle porte di Milano e con una rete di vendita capillare ed efficiente. Nel corso della sua esistenza ha prodotto oltre mezzo milione di ciclomotori.


Nella prima metà degli anni Cinquanta una delle prime aziende ad abbracciare con entusiasmo la causa del ciclomotore a quattro tempi è stata la Sterzi. Questa azienda, nata a Palazzolo sull’Oglio ma ben presto trasferitasi a Cologne, in provincia di Brescia, ha esordito con una valida 125, apparsa nel 1947, alla quale nella prima metà degli anni Cinquanta sono stati affiancati alcuni interessanti modelli di 160 cm3. I motori erano a due tempi, di semplice e robusta struttura. Il primo 4T è stato un 175 azionato da un motore prodotto dalla OMA (Officine Meccaniche Amadori) di Bologna, che ha fatto la sua comparsa nel 1954 ed è stato costruito in un numero assai ridotto di esemplari.

Il Pony della Sterzi ha avuto una diffusione limitata. Il livello tecnico era comunque eccellente
Il Pony della Sterzi ha avuto una diffusione limitata. Il livello tecnico era comunque eccellente

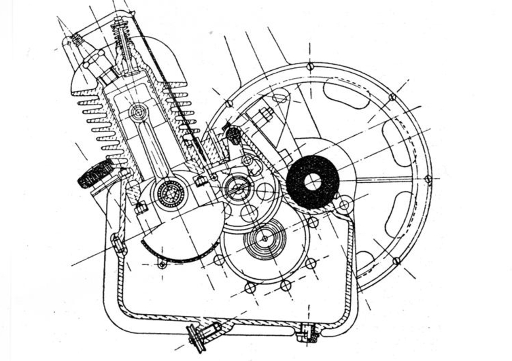
In quello stesso periodo il titolare dell’azienda, Aldo Sterzi, ha deciso di entrare nel settore dei ciclomotori utilizzando un motore a quattro tempi di progettazione propria e di concezione particolarmente raffinata, con distribuzione monoalbero in testa. Si trattava di qualcosa di inusitato, per un monocilindrico di cilindrata così piccola, destinato un mezzo che tutto sommato doveva essere economico. Alla fine del 1954 è stato così presentato il Pony, nelle versioni turistica e sportiva, che è entrato in produzione pochi mesi dopo. Il suo motore era dotato di due valvole inclinate, camera di combustione emisferica e lubrificazione a carter umido con pompa a ingranaggi. La trasmissione primaria era a catena e il cilindro era in ghisa. L’albero a gomito, che poggiava su due cuscinetti di banco a sfere, era in due parti unite per forzamento. Una particolarità interessante era costituita dal fatto che l’ingranaggio posto alla estremità destra dell’albero a gomito azionava un corto alberello di rinvio, che provvedeva a trasmettere il moto tanto all’albero a camme quanto alla trasmissione primaria mediante due catene.

La Sterzi è stata particolarmente attiva in Sud America
e i suoi ciclomotori, debitamente preparati, hanno ottenuto importanti affermazioni in Argentina, dove nel 1958 è stata addirittura aperta una filiale, e in Perù, dove hanno stabilito alcuni record di velocità. La casa è scomparsa dalla scena motociclistica nel 1960.

Argomenti

Caricamento commenti...