Zongshen pensa a un tre ruote

Zongshen pensa a un tre ruote
Il colosso cinese Zongshen, attraverso il suo brand premium Cyclone, ha depositato un brevetto che potrebbe rimescolare le carte nel segmento dei veicoli a tre ruote.
16 marzo 2026

Se il mercato ci ha abituato allo schema "due ruote davanti, una dietro", Zongshen decide di invertire i fattori e aggiungere un tocco di magia meccanica. L'ultimo brevetto del marchio cinese illustra un veicolo basculante posteriore capace di una metamorfosi dinamica: passare da triciclo rigido a moto piegante premendo un tasto.
 

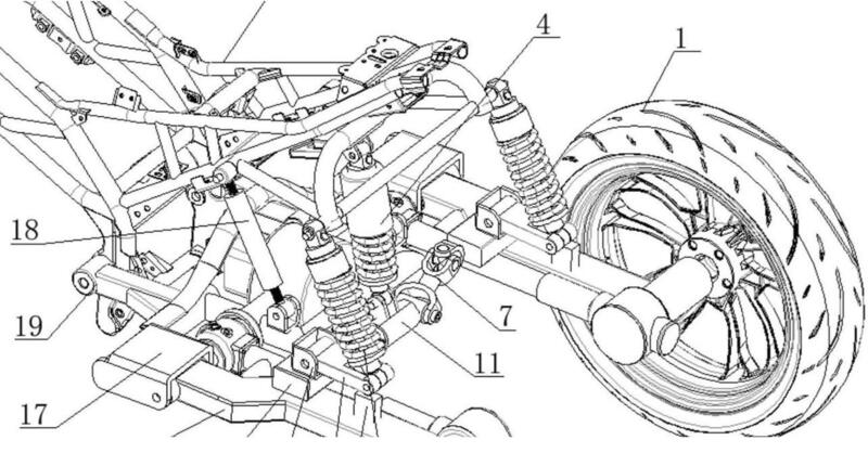
Il cuore del progetto è un telaio motociclistico convenzionale che, al posto del classico forcellone monobraccio o bibraccio, ospita due bracci oscillanti indipendenti, ciascuno con la propria ruota. La trasmissione della potenza è un piccolo capolavoro di complessità:

  1. Il motore invia coppia a un differenziale centrale.

  2. Il moto passa attraverso ingranaggi conici coassiali ai perni del forcellone.

  3. La spinta finale arriva alle ruote tramite trasmissioni ad albero (cardano) integrate nei bracci.

Naviga su Moto.it senza pubblicità
1 euro al mese

La vera rivoluzione risiede nel gruppo sospensioni, composto da tre ammortizzatori. È qui che Zongshen risolve l'atavico dilemma dei tricicli: stabilità da fermo o agilità in curva?

  • Modalità "Trike" (Non inclinabile): Quando l'ammortizzatore centrale pneumatico viene scaricato, la moto si abbassa. In questa configurazione, i due ammortizzatori laterali toccano dei tamponi di fine corsa sui forcelloni. La moto diventa rigida verticalmente (ma ammortizzata), ideale per il traffico lento, il parcheggio o per chi non vuole poggiare i piedi a terra.

  • Modalità "Moto" (Inclinabile): Premendo un pulsante, l'unità centrale ad aria si estende, sollevando il posteriore. Gli ammortizzatori laterali si staccano dai tamponi, lasciando i due forcelloni liberi di muoversi in modo asimmetrico. In questo stato, la moto può inclinarsi in piega come una normale due ruote, eliminando il rischio di ribaltamento tipico dei tricicli classici (stile Harley-Davidson) nelle curve veloci.

L'ingegno di Zongshen è fuori discussione: creare un sistema che offra la sicurezza di un ATV a bassa velocità e il feeling di una moto nel misto è l'ambizione di molti. Tuttavia, restano aperti i dubbi sulla complessità costruttiva e sui pesi in gioco.

Mentre i sistemi a doppia ruota anteriore (tipo MP3) offrono sicurezza soprattutto in frenata e sull'asfalto viscido all'anteriore, la soluzione Zongshen punta tutto sulla trazione e sulla versatilità del retrotreno. Resta da vedere se i motociclisti europei saranno pronti ad accogliere uno schema così anticonvenzionale o se rimarrà un raffinato esercizio di stile destinato al mercato interno.

Caricamento commenti...

Hot now