Il fascino inconfondibile dei motori boxer (prima parte)

Storia ed evoluzione dei motori a due cilindri orizzontali contrapposti. Mica soltanto BMW...
17 febbraio 2020

Da tempo immemorabile dire boxer equivale a dire BMW.
Nessun’altra architettura motoristica è mai stata legata a un costruttore come questa. Nell’anteguerra la casa bavarese ha costruito anche alcuni monocilindrici e ha continuato a farlo in seguito, fino agli anni Sessanta; lo stesso è accaduto in tempi più recenti, come gli appassionati ben sanno.

Oggi la gamma BMW prevede anche bicilindrici paralleli e motori a quattro e a sei cilindri in linea. I modelli di maggiore diffusione e di maggior successo però hanno sempre avuto due cilindri contrapposti. Anche altre aziende, hanno costruito motori di questo tipo, ma lo hanno fatto per meno tempo o i loro modelli hanno avuto una minore diffusione.
Oppure, semplicemente, hanno costruito copie delle BMW di alcuni anni prima (e lo han fatto in tanti…).

Quando BMW ha iniziato a fabbricare moto complete, nel 1923, ha adottato con decisione lo schema con i due cilindri trasversali, che poi non ha più abbandonato

Naviga su Moto.it senza pubblicità
1 euro al mese

Mettiamo subito in chiaro che i motori a due cilindri orizzontali contrapposti esistevano da tempo quando è entrata in scena la casa bavarese (si pensi al Benz “Kontra-Motor” del 1897).
Sulle moto sono arrivati ad avere una buona diffusione a partire dagli anni Dieci del XX secolo quelli con l’asse dell’albero a gomiti disposto trasversalmente rispetto al telaio. In altre parole, con i due cilindri longitudinali: uno puntava in avanti e l’altro all’indietro. Il primo sembra sia stato costruito nel 1907 dalla inglese Light Motors Co., ma i motori con questa architettura sono indissolubilmente legati alla Douglas, che ha continuato a produrli per circa tre decenni.

Pure i primi bicilindrici costruito dalla BMW, che li forniva ad altre aziende, erano di questo tipo. Quando però la casa di Monaco ha iniziato a fabbricare moto complete, nel 1923, ha adottato con decisione lo schema con i due cilindri trasversali (ossia con asse dell’albero a gomiti disposto longitudinalmente), che poi non ha più abbandonato. La soluzione non era proprio inedita perché nel 1916 aveva proposto questa architettura l’inglese ABC.

BMW R32
BMW R32

La prima BMW è stata la R32 con motore di 500 cm3, distribuzione a valvole laterali e potenza di 8,5 CV a 3300 giri/min. Da allora in poi è stato un susseguirsi di modelli sempre più performanti e moderni. Alcuni avevano una cilindrata di 750 cm3 o, dal 1937, di 600 cm3.

Ai motori a valvole laterali sono stati affiancati ben presto quelli ad aste e bilancieri, di potenza più elevata. L’evoluzione ha portato alla comparsa di generazioni successive di bicilindrici. Il basamento, in due parti nei primi modelli, è diventato a tunnel dal 1936 e tale soluzione è stata mantenuta per ben oltre cinquant’anni!
L’albero a camme, unico in tutti i motori (tranne che nell’R 5 e nei seguenti R 51 e 51/2, che ne avevano due), è rimasto nella parte superiore del basamento fino al 1969. Le prestazioni sono come logico aumentate nel corso degli anni. Le ultime 500 d’anteguerra erogavano 24 cavalli a 5600 giri/min.

 

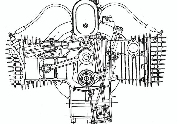
A partire dal 1936 la BMW ha adottato un basamento a tunnel che nel caso della R5 (e della successiva R 51) alloggiava nella parte superiore non uno ma due alberi a camme, comandati da una catena a rulli, ben visibile nel disegno. Questo modello di 500 cm3 aveva una potenza di 24 CV a 5800 giri/min
A partire dal 1936 la BMW ha adottato un basamento a tunnel che nel caso della R5 (e della successiva R 51) alloggiava nella parte superiore non uno ma due alberi a camme, comandati da una catena a rulli, ben visibile nel disegno. Questo modello di 500 cm3 aveva una potenza di 24 CV a 5800 giri/min

Per diverso tempo la grande rivale della BMW è stata la Zundapp. Entrata nel settore motociclistico nel 1921, per diversi anni questa azienda ha costruito validi monocilindrici a due tempi con cilindrate comprese tra 200 e 300 cm3.

I motori a quattro tempi a due cilindri contrapposti sono apparsi nel 1933. Al modello di 500 cm3 se ne sono in seguito aggiunti altri di 600 e di 750 cm3, con distribuzione sia a valvole laterali che ad aste e bilancieri. In questi bicilindrici l’albero a gomiti era in un sol pezzo, le bielle avevano la testa scomponibile e l’albero a camme era collocato nella parte superiore del basamento. Le potenze dei modelli a valvole in testa (serie KS) erano di 24 CV per il modello di 500 cm3 e di 28 CV per quello di 600 cm3. In queste moto spiccavano il cambio, nel quale i due alberi erano collegati da catene e non da ingranaggi, e il telaio a doppia culla non in tubi ma in lamiera stampata.

Sempre rimanendo nell’anteguerra, eccellenti modelli a due cilindri contrapposti sono stati costruiti in Francia da una casa che da noi non è molto conosciuta ma che aveva dimensioni ragguardevoli e alla quale vanno meriti importanti in campo aeronautico.
Si tratta della Gnome-Rhone, nata dalla fusione, nel 1915, di due aziende che producevano ottimi motori rotativi. Negli anni del primo conflitto mondiale la nuova casa ne ha costruiti oltre 25.000 e svariate decine di migliaia sono stati quelli fabbricati su licenza da altre aziende. La Gnome–Rhone è stata una grande pioniera e una autentica maestra nel campo dei motori stellari. Le licenze di fabbricazione del suo eccellente 14K a doppia stella sono state cedute all’inizio degli anni Trenta a diversi costruttori esteri, tra i quali l’Isotta Fraschini e la Fiat. Quella che ha avuto il rapporto più stretto con la casa francese è stata però la Piaggio.

Zundapp KS750
Zundapp KS750

Dopo il termine della prima guerra mondiale la Gnome-Rhone ha ben presto iniziato a costruire anche moto. Dopo avere prodotto per qualche tempo su licenza gli inglesi ABC, ha cominciato a utilizzare motori di propria progettazione e fabbricazione. I monocilindrici sono stati seguiti negli anni Trenta da alcuni validi bicilindrici boxer con distribuzione ad aste e bilancieri di 500 e in seguito anche di 750 cm3.

Un discorso a parte meritano i due boxer costruiti in Germania durante la seconda guerra mondiale per impiego militare.
La BMW e la Zundapp hanno prodotto complessivamente oltre 35.000 bicilindrici di 750 cm3, tutti in versione sidecar con tanto di trazione anche sulla terza ruota e con dispositivo per il bloccaggio del differenziale.

Realizzati su specifiche richieste dell’esercito, impiegavano diverse parti uguali, in particolare a livello di trasmissione, ma utilizzavano motori differenti. Quello della Zundapp aveva i due cilindri non a 180° ma a 170° (non esattamente contrapposti, dunque!). Questa soluzione era stata adottata per ridurre il rischio di problemi se la moto affondava in considerevole misura nel fango. Per il resto i motori erano entrambi ad aste e bilancieri e, in quanto a disegno e a struttura, adottavano gli schemi impiegati nei modelli civili dei due costruttori.

Il successo di queste moto militari tedesche è stato tale che anche gli americani hanno pensato a qualcosa del genere.
L’esercito USA infatti ha dato incarico all’Harley-Davidson di realizzare una bicilindrica boxer con trasmissione finale ad albero. Nel 1942 è così nata la XA, con distribuzione a valvole laterali, che è stata prodotta in soli 1000 esemplari.

La moto con la quale gli americani hanno affrontato la seconda guerra mondiale è stata l’altra Harley-Davidson, la WLA 750 a valvole laterali e con i due cilindri a V di 45°, realizzata secondo i classici schemi dalla casa.

Caricamento commenti...